變頻串聯諧振試驗接線圖解和試驗步驟
發布時間:2019-06-13
瀏覽數:565
變頻串聯諧振集調壓、調頻、控制及保護功能為一體,有效地解決了由于電源容量的不足對現場試驗的制約。下面國電中星為大家介紹變頻式串聯諧振試驗接線和步驟。

一、變頻串聯諧振試驗接線
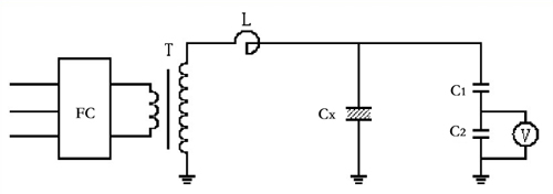
試驗接線如下圖所示

FC-變頻電源;T-勵磁變壓器;L-諧振電抗器;CX-被試品;C1、C2-電容分壓器高、低壓臂電容
二、變頻串聯諧振試試驗步驟
1、合理布置試驗設備,檢查諧振電抗器是否安放穩固。將勵磁變、諧振電抗器和被試設備的外殼及分壓器接地端接地。
2、試驗前應測量被試設備的絕緣電阻,然后按圖進行接線,并檢查接線和分壓器檔位。
3、檢查試驗電源的容量應符合試驗要求,先合上試驗電源開關,再合上變頻電源的控制電源和工作電源開關穩定后合上變頻電源主回路開關,設定保護電壓wi試驗電壓的1.1~1.2倍。
4、開始升壓,必須按規定的升壓速度從零開始均勻地升壓,先旋轉電壓調節按鈕,把輸出功率比調節到2%或試驗電壓的3~5%,通過旋轉頻率調節按鈕改變系統頻率的大小,觀察勵磁電壓和試驗電壓的數值。當勵磁電壓為最小、同時試驗電壓為最大時,這個時候的頻率就是系統的諧振頻率。
5、系統諧振后,按要求均勻調節電壓值試驗電壓,升壓過程中應密切監視高壓回路,監聽被試品有何異響,到達試驗時間后,將電壓降到零,切斷主回路、控制回路和工作電源開關,拉開試驗電源開關,對被試品放電,試驗結束。
國電中星是串聯諧振生產廠家,型號規格多,滿足客戶不同試驗需求,不僅如此國電中星還生產多種高壓試驗設備,產品多價格實惠,獲得廣大用高性價比的好評,歡迎選購!
上一篇:諧振電路的相關小知識
下一篇:調感式串聯諧振試驗接線和步驟
027-65526006
027-65526007
在線客服